当前位置:首页>CAD图库>节点大样>当前素材
素材ID:25008

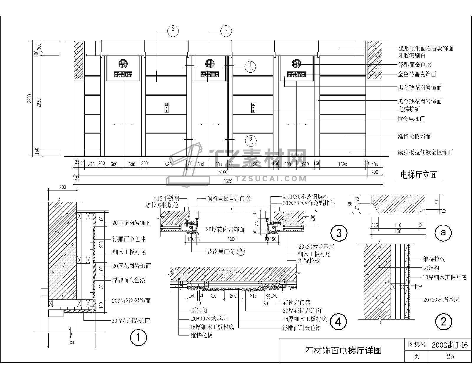
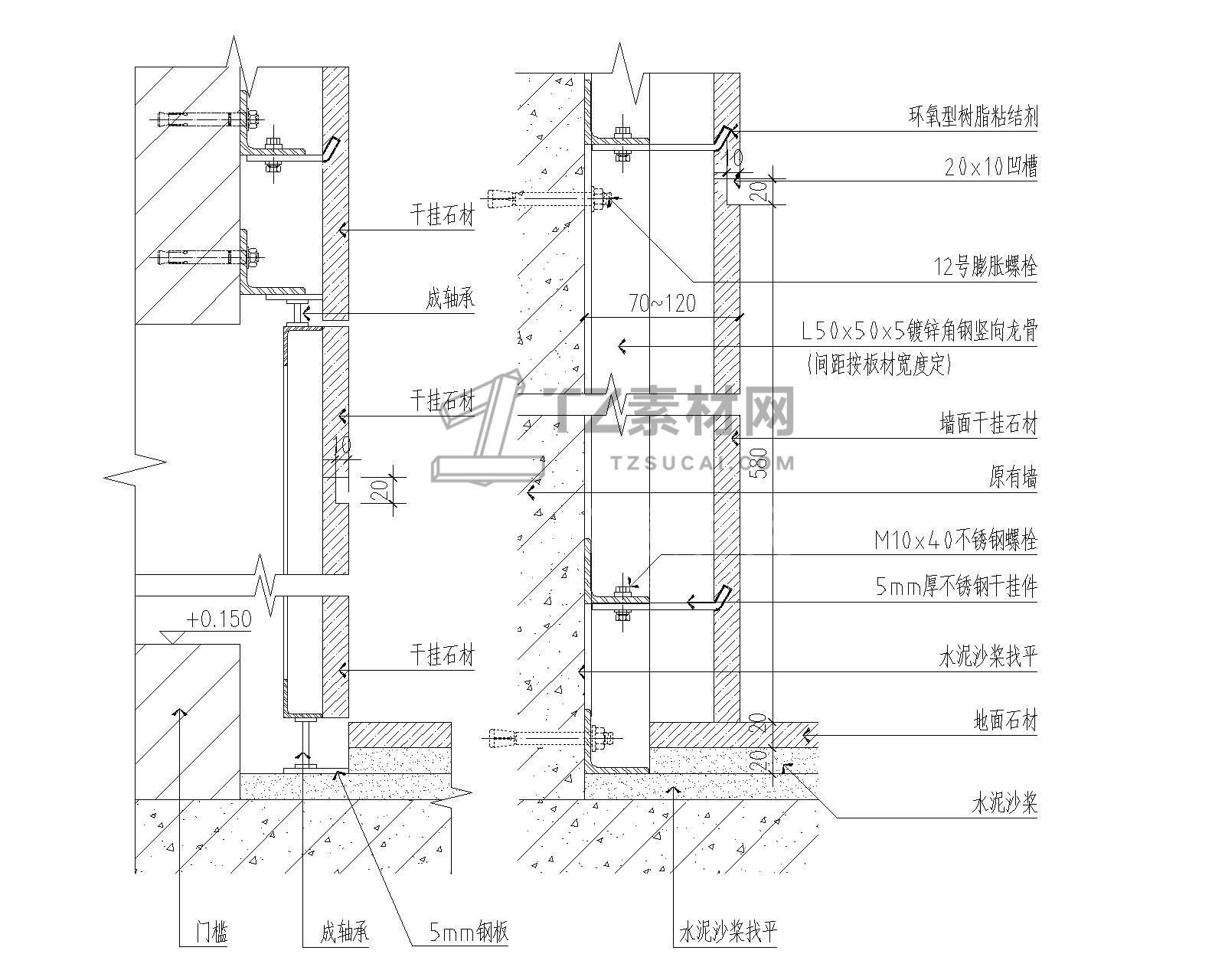
石材CAD 石材节点CAD 大理石节点CAD 石材节点大样图CAD

1 (1).jpg

发布时间:2024-10-08 09:23:25
相关软件更多>
提示:TZ素材网作为网络服务提供者,尊重网络版权及其他知识产权,对非法转载、盗版行为的发生不具备充分的监控能力,若您的权利被侵害,请与我们联系!
网站地图Copyright © 2023 tzsucai.com All Rights Reserved 版权所有. 闽ICP备2023001872号-1 增值电信业务经营许可证:闽B2-20230721

*有问题的链接ID:

安全验证
您的账号可能存在安全风险,为了确保为您本人操作,请先进行安全验证。
验证方式:+86-888****8888
请输入验证码:
如需帮助,请联系客服
依国家《网络安全法》,互联网账号需要绑定手机,否则被盗号后,账户资产无法找回!
手机号:
登录验证

再次使用微信扫一扫授权登录